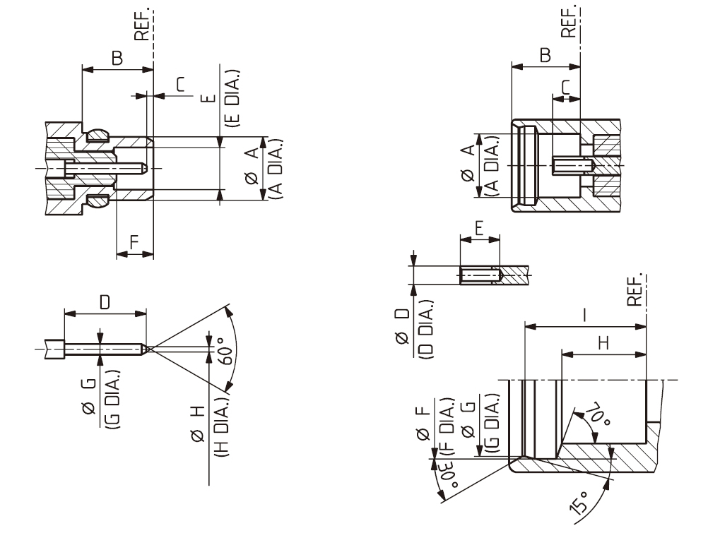
MMCX type Connectors
Description
QUONTEK MMCX connectors are intended for use in applications where the smallest dimensions have to be achieved. These connectors can be used in applications from
DC to 6 GHz.
The reliable "snap-on" coupling mechanism ensures that the electrical parameters are consistently reproduced. Due to its non-slotted outer contact, the MMCX series provides a low RF leakage.
In addition, QUONTEK SMT MMCX connectors fully meet today’s SMT (Surface Mount Technology) requirements with superior design, material selection and packaging.
The QUONTEK SMT connectors are suitable to all reflow-soldered SMT-PCBs where impedance matching or screened signal transmission is necessary.
Features
• Frequency range up to 6 GHz
• Excellent return loss
• The MMCX interface dimensions conform to the following standards:
International: IEC 61169-52
Europe: CECC 22130
USA: MIL-PRF-39012 MMCX
Interface MIL-STD-348
![]() | ![]() |
English
German
French
Russian
Spanish
Japanese
Korean
Portuguese
Ukrainian
Arabic
Italian
Afrikaans
Albanian
Armenian
Azerbaijani
Belarusian
Bulgarian
Catalan
Chinese(Simplified)
Croatian
Czech
Danish
Dutch
English
Estonian
Filipino
Finnish
Galician
Georgian
Greek
Haitian Creole
Hebrew
Hindi
Icelandic
Indonesian
Irish
Japanese
Korean
Latvian
Lithuanian
Macedonian
Malay
Maltese
Norwegian
Persian
Romanian
Serbian
Slovak
Slovenian
Swahili
Swedish
Thai
Turkish
Ukrainian
Urdu
Vietnamese
Welsh

























